D10_D20 末端浪涌保護器
閱讀次數:2232 發布時間:2020-10-14

產品概述:
D20/385/4P浪涌保護器符合SPD國家標準GB18802.1-2011要求規范,使用時并聯在電源線路上,它利用其自身當兩端電壓高于規定電壓后通過的電流呈指數規律增長的伏安特性,能夠有效的將竄入電力傳輸線的瞬時過電壓限制在設備或系統所能承受的電壓范圍內,達到將強大的雷電流泄流入地、抑制浪涌、泄流和限幅作用,從而保護被保護的設備或系統不受沖擊而損壞。
產品特點:
● 高能容量氧化鋅壓敏電阻—高放電通流容量;
● 響應時間訊速,反應能力快速;
● 一體化模塊結構設計;
● 失效指示功能,紅色窗口出現為失效狀態;
● 熱敏控制過熱危險脫扣機構,聯動指示窗口;
適用范圍:
D20/385/4P浪涌保護器電源模塊浪涌保護器,主要用于第一級電源設備的保護,常用于易遭雷擊的室外電源配電柜、室內電源配電柜和有向外引出線的屋頂配電設備,適用于工民建筑、電氣、通信、道路交通、石油化工等各行業的電源設備保護。
技術參數:(適配熔斷器及斷路器大小選型表)
浪涌Imax: | 20KA | 40KA | 60KA | 80KA | 100KA | 200KA | A25 | A50 |
選配熔斷器 | 16A | 16A | 32A | 32A | 63A | 63A | 63A | 63A |
選配斷路器 | 20A | 25A | 32A | 40A | 63A | 80A | 100A | 100A |
選擇導線mm2 | 6 | 6 | 10 | 10 | 16 | 16 | 16 | 16 |
浪涌UC: | 220V、385V、400V、420V、690V | 275V、385V | ||||||
浪涌Up: | 1.2KV2.8KV | |||||||
組合方式 | 1P、1P+N、2P、3P、3P+N、4P | |||||||
響應時間 | ≤25ns(tA) | |||||||
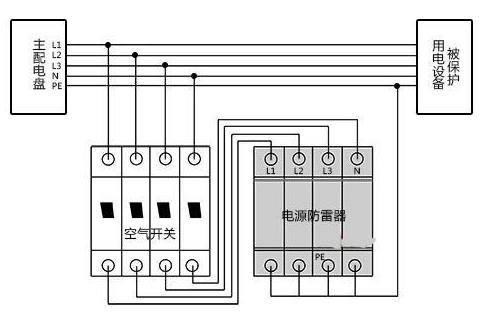
產品尺寸及接線圖:


上一篇:交流充電樁防雷器
下一篇:最后一篇


