JJ-D-3KVA 智能疏散指示系統
閱讀次數:1748 發布時間:2021-01-19

JJ-D-3KVA 智能疏散指示系統項目建設將全面提高社會消防安全管理的科技、信息化、智能化水平,JJ-D-3KVA 不斷增強社會單位的綜合消防能力,實現和諧、安全社會目標。
智慧消防建設
JJ-D-3KVA智能消防是指以物聯網技術為核心,通過各種傳感器和應用程序,將所有的消防活動和消防設備運行數據匯總到消防大數據中心,進行處理,并提供給消防監督部門、消防設計、消防施工、咨詢評估、檢測與管理維修、社保、公火互動查詢等行業以云服務形式智能化應用。JJ-D-3KVA消防物聯網可以加強消防過程之中的監管,落實消防主體責任,進一步促進消防三項制度的有效實施,確保消防數據的真實性和有效性(包括消防信息的真實性)人的活動和獲取設備運行數據的真實性。
智能消防JJ-D-3KVA依托消防物聯網大數據中心,建立了一系列消防云服務平臺,包括BIM建筑信息平臺、消防工程檢測服務平臺、消防材料見證取樣平臺、消防遠程監控系統平臺、消防安全監控平臺等,消防設施維護智能管理平臺,水系統(含氣體滅火系統等固定滅火系統)實時監控平臺,電氣火災監測平臺燃氣火災預警平臺和統一信息查詢平臺,提供了從建筑消防設計、施工審查、驗收、維護、監理、應急處置、消防救援等一整套平臺服務功能,并建立了一整套標準,規范和指標體系為長期運行維護奠定了堅實的基礎。
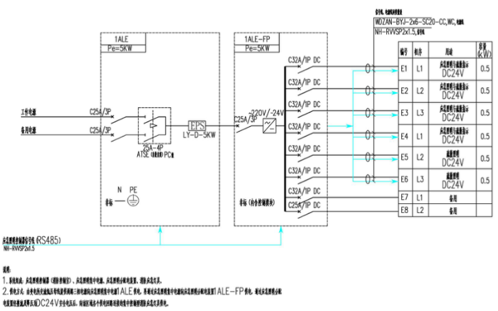
照明配電系統圖

公司優質產品主要型號
應急照明控制器JJ-C-Z01
應急照明集中電源JJ-D-0.5KVA、JJ-D-3KVA、JJ-D-10KVA
應急照明分配電裝置JJ-FP-300
JJ-D-3KVA 智能疏散指示系統建設未來依托
應急照明集中電源JJ-D-3KVA依托“智慧城市”建設,調整現有城市物聯網消防遠程監控系統運行的“中介模式”,實行政府投資運營或政府委托運營的“政府模式”。各級公安消防部門主動向當地政府報告,申請投資建設專項資金,各單位可自由使用,每年安排運行預算,不向單位收取運行管理費,并且不增加單位的經濟負擔,從而保證制度建設有序、規范運行、健康發展。




