400/200KA/4P 過電壓防雷器
閱讀次數:1808 發布時間:2020-10-21

產品描述:
B200KA系列電涌保護器適用于交流50/60Hz,220V/380V供電系統。可用于為建筑物進線的低壓總配電系統提供第一級防雷(過電壓)保護。如.建筑物的低壓主配電柜,戶外配電控制柜以及雷擊風險較高的電源一-級防雷系統。
產品特點:
B級保護
殘壓低,漏電流小
熱脫扣/熔斷功能,響應速度快
-體化結構,安裝方便
標準35mm導軌安裝
劣化/失效顯示,無色(正常)、紅色(失效)
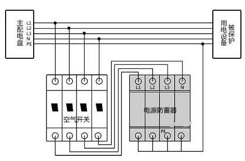
尺寸及接線:


閱讀次數:1808 發布時間:2020-10-21

產品描述:
B200KA系列電涌保護器適用于交流50/60Hz,220V/380V供電系統。可用于為建筑物進線的低壓總配電系統提供第一級防雷(過電壓)保護。如.建筑物的低壓主配電柜,戶外配電控制柜以及雷擊風險較高的電源一-級防雷系統。
產品特點:
B級保護
殘壓低,漏電流小
熱脫扣/熔斷功能,響應速度快
-體化結構,安裝方便
標準35mm導軌安裝
劣化/失效顯示,無色(正常)、紅色(失效)
尺寸及接線:


咨詢電話
029-89602716
微信咨詢
返回頂部